Electrónica digital automotriz es un documento para aquellos que se quieran iniciar en esta rama de la reparación de vehículos, el documento trata la parte teórica totalmente necesaria para la formación en la electrónica digital, digamos que son las bases de esta ciencia, y que evidentemente se aplica en todos los componentes electrónicos del vehículo. A continuación os apunto el índice de este artículo.
Índice
1. Señales analógicas y digitales
2. Las puertas eléctricas
- 1ª combinación lógica
- 2ª combinación lógica
- 3ª combinación lógica
3. Las puertas lógicas electrónicas
- Empecemos por la puerta lógica 0, también llamada OR.
- Continuemos con la puerta lógica Y o AND.
- Veamos ahora la puerta inversora NO (NOT)
- Puertas inversas a puertas lógicas “O” y “Y”
- La puerta NO-O(NOR)
- La puerta NO-Y(NAND)
- Puerta O-exclusiva (Exclusive-OR)
- Práctica resumen: Central de alarma
4. Componentes de electrónica digital
- Sistema de numeración binaria 14 El Decodificador y el sistema binario BCD
- Ejemplo de montaje práctico con el CI 74HC147
- Los Multiplexores
- Visualizadores de números
- Visualizador de siete segmentos cátodo común
- Visualizador de siete segmentos de ánodo común
- Los decodificadores
- Demultiplexores
1. Señales analógicas y digitales
Si representamos en una gráfica, las diferentes medidas de la temperatura que va teniendo un cuerpo en el transcurso de un determinado tiempo, tendríamos una gráfica Temperatura-tiempo tal como puede mostrar la figura 1. A este tipo de medidas o señales las llamaremos “analógicas” y las definiremos como señales, generalmente variables, que pueden tomar cualquier valor.

Otros ejemplos pueden ser las señales que se obtienen con un micrófono, una señal de la corriente alterna, las ondas cerebrales...
Cuando las señales varían a intervalos determinados como si fuesen intervalos escalonados y que por lo tanto entre un valor y el siguiente no pueden tomar valores intermedios, les llamaremos señales “digitales”. Cuando la señal solo puede tomar dos valores, por ejemplo: si o no; abierto o cerrado; 0 o 1 entonces les llamaremos señales “binarias” y este es el tipo de señal que trabaja un sistema electrónico digital como puede ser un ordenador. Las señales binarias también se llaman “bits” (BInary digiT), que es la unidad mínima de información. Estas señales binarias, tal como se encuentran en la electrónica digital, tienen dos niveles de tensión a los cuales se les asigna los estados “0” y “1” con estos valores:
1 => On de 2 a 5 voltios
0 => Off de 0 a 0,8 voltios
Debido a los avances de la técnica nos interesa que una señal física analógica sea trabajada por sistemas electrónicos digitales por lo que debemos transformar la señal analógica que recibimos en una señal digitalizada y una vez tratada (convertida en digital), luego devolverla al estado analógico para poder ser captado o reproducida con los medios adecuados

Un ejemplo sería la estructura de un sistema musical digitalizado y puede ser de la siguiente forma:

Una vez obtenida la señal por medio de un micrófono la convertimos en digital a través de un Convertidos Analógico-Digital para ser introducida en un proceso de sonido y una vez tratada por el Procesador electrónico, se volverá a convertir en analógica con el Convertidor Digital-Analógico para ser amplificada adecuadamente y ser reproducida por los bafles.
¿Qué hacen los convertidores analógicos-digitales?. Supongamos que tenemos una onda sinusoidal. Para convertirla en digital, la dividimos en pequeñas ondas cuadradas, como si fuesen binarias.

También podemos estrechar la longitud de la onda, como si la hiciésemos más estrecha, conservando su amplitud. Habremos comprimido la señal de tal forma que ocuparía menos espacio, y por lo tanto podríamos pasar la información más rápidamente y también. El elemento que hace esta función se llama Compresor. Con todo hay otros tipos de comprimir el conjunto de señales.

2. Las puertas eléctricas
¿Para que sirve una puerta? Para dejar pasar o no dejar pasar algo o alguien, según si está abierta o cerrada.
Y, entonces, a un interruptor ¿cómo la podemos llamar también? Pues..., una puerta eléctrica, ya que puede dejar pasar la corriente o no dejarla pasar. La distinta combinación de interruptores da lugar a que las llamemos técnicamente “combinaciones lógicas”
1ª combinación lógica
Si tenemos dos interruptores colocados en paralelo y colocamos una lámpara como en la figura

tanto si está cerrado el interruptor A “o” sólo está cerrado el interruptor B, se encenderá la lámpara.
Sí ninguna está cerrada, no se encenderá la lámpara .
Si el interruptor A está cerrado (deja pasar la corriente) diremos que está en “1” o que está en señal “H” (Alto en inglés)
Si está abierto (no deja pasar la corriente por él) diremos que está en “0” o que es-tá en señal “L” (Bajao en inglés).
(lo mismo sucede con el interruptor B)
Por lo cual podemos escribir la siguiente tabla:
| B | A | f |
| 0 | 0 | 0 |
| 0 | 1 | 1 |
| 1 | 0 | 1 |
| 1 | 1 | 1 |
A este tipo de tabla se llama: “tabla de la verdad” de este circuito o montaje
¿En cuantos casos se encenderá la lámpara?. En tres.
Podemos llamar a este tipo circuito, un circuito de Puerta O (OR)
2ª combinación lógica
Hagamos otro montaje diferente. Coloquemos los interruptores en serie como en el montaje de la figura siguiente:

¿Qué será necesario para que se encienda la lámpara?. Que tanto el interruptor A como el B estén cerrados.
¿Qué pasará si uno de ellos se abre? Que la lámpara dejará de alumbrar porque se ha apagado.
Podemos llamar a este tipo de circuito, circuito de Puerta Y (AND) y la tabla de verdad será de la siguiente manera:
| B | A | f |
| 0 | 0 | 0 |
| 0 | 1 | 0 |
| 1 | 0 | 0 |
| 1 | 1 | 1 |
¿En cuantos casos estará encendida la lámpara?. En uno.
Haz ahora, tu mismo, la tabla de verdad de este circuito que te propongo:

Su tabla será esta: ¿Te ha salido igual?
| C | B | A | f |
| 0 | 0 | 0 | 0 |
| 0 | 0 | 1 | 0 |
| 0 | 1 | 0 | 0 |
| 0 | 1 | 1 | 0 |
| 1 | 0 | 1 | 1 |
| 1 | 1 | 0 | 1 |
| 1 | 1 | 1 | 1 |
| 1 | 0 | 0 | 0 |
3ª combinación lógica
Por último, si hacemos un interruptor que funcione al revés, es decir, que en vez de cerrar el circuito lo habré y en vez de abrirlo , lo cierra, hemos construido un inversor y lo simbolizaremos por un pulsador que al pulsarlo abra el circuito, como representamos en el dibujo de abajo.

Si doy al interruptor A, se apaga la bombilla .y si dejo de dar el interruptor, se enciende por lo que la tabla de verdad será:
| A | f |
| 0 | 1 |
| 1 | 0 |
y a esta puerta la llamaremos Puerta NO o NOT.
Como resumen para facilitar el entendimiento podemos expresar estos tres tipos de comportamiento, en forma matemática. y así podemos escribir:
Función O(OR) f= A+ B
Función Y(AND) f= A•B
Función NO(NOT) f=A
A estas expresiones se conocen como expresiones lógicas de las funciones. Es fácil acordarse si haces lo siguiente:
en el sistema paralelo o puerta O:
- 0+1=1
- 1+0=1
- 0+0=0
- 1+1=1
y en el sistema serie o puerta Y:
- 1*0=0
- 0*1=0
- 0*0=0
- 1*1=1
3. Las puertas electrónicas
Las puertas electrónicas son unos componentes en el que una unidad de ellos se compone de tres terminales fundamentalmente, uno para el A, otro para el B y otro para la salida f(0). Pero además necesitará otro terminal para la alimentación positiva (generalmente a +5V. y otro para la masa, llamada GND.

Sabes ya que un transistor puede hacer, entre otras cosas, de interruptor. Una puerta lógica electrónica no es más que una serie de transistores y otros componentes como resistencias y diodos, colocados en una pastilla donde puede haber de 10 a 10.000 componentes, en su mayor parte de transistores. Y así un circuito integrado que cumpla las funciones O puede ser el 7432, que tendrá la forma siguiente:

Como puedes observar en el dibujo esquemático, tiene en su interior dibujado cuatro piezas de esta forma y cada una de ellas representa una puerta lógica, por lo que este integrado tendrá cuatro puertas O
![]()
Pero veamos como funciona una puerta lógica. Se compone de una entrada A y de otra entrada B; de un cuerpo que combina estas dos entradas para dar una salida f de acuerdo con la tabla de verdad. Así la entrada A es la pata 1 del integrado, la B es la 2 y la f en la pata 3.
¿Cómo hacemos que la entrada A o B estén en 1 o en 0, que es lo mismo que decir en H o en L?A través de dar una tensión o no a las patas correspondientes del integrado. Para valores 1 se suele aplicar una tensión cercana a los 5 voltios y para los esta-dos 0 la mayoría de los fabricantes suelen aplicar una tensión de 0.8 voltios o menos, es decir, se conecta a masa.
Empecemos por la puerta lógica 0, también llamada OR.
Los símbolos que se emplean son los siguiente dependiendo si se usan las simbologías clásica-antigua o la moderna:
Simbología clásica
Simbología moderna
Cumple la misma tabla de verdad que en las eléctricas:
| B | A | f |
| 0 | 0 | 0 |
| 0 | 1 | 1 |
| 1 | 0 | 1 |
| 1 | 1 | 1 |
Como conclusión, siempre que una de las dos entradas tenga nivel alto, en la salida habrá nivel alto.
Para que lo entiendas mejor puedes hacer el siguiente experimento. Necesitarás un instrumento que se encienda cuando la salida está en estado 1 y esté apagada cuando sea el estado 0. Esto se llama “sonda lógica”. Primero lo haremos de una manera sencilla: una resistencia y un led. Haz este montaje.
A los terminales 1 y 2 le puedes aplicar una tensión de 5 voltios y podrás medir en la salida 3 una tensión de unos 5 voltios. Por lo que se encenderá el led. Si le aplicas una tensión de 0 voltios el led no se encenderá. Comprueba que cumple la tabla de verdad correspondiente a una puerta lógica O.

Pero si quieres hacerlo como un “buen electrónico” construye la siguiente sonda empleando un sencillo transistor que ayudará a encenderse el led.

Haz el montaje que se te propone para conocer el funcionamiento de una puerta lógica O. Utilizaremos para ello el integrado 7432
Si quieres hacer bien este montaje debes conectar a masa todas las entradas libres de las puertas que no se usan. De ese modo el integrado no coge “señales espúreas” que además de hacer consumir más corrientes pueden ocasionar comportamientos no deseados del integrado. Hay integrados que las corrientes estáticas que tenemos en nuestro cuerpo pueden estropearlos, por lo que no conviene tocar sus patas con los dedos. Si no sabes cuales pueden ser, procura no tocarlas.

Continuemos con la puerta lógica Y o AND.
Veamos ahora su representación gráfica:
Simbología clásica
Simbología moderna
También cumple la tabla de verdad por lo que para que la salida sea “1” las dos entradas han de ser “1” a la vez.
| B | A | f |
| 0 | 0 | 0 |
| 0 | 1 | 0 |
| 1 | 0 | 0 |
| 1 | 1 | 1 |
El integrado más representativo es el 7408 que su dibujo esquemático es el siguiente:

Puedes hacer la misma práctica con este integrado como en el caso anterior.
Veamos ahora la puerta inversora NO (NOT)
Como dijimos en el capítulo anterior, hace la función inversa, que también se de-nomina “complementaria” o de “negación”.
Su representación simbólica es la siguiente:
Simbología clásica
Simbología moderna
Fíjate que introducimos dos símbolos que usaremos en todas aquellas puertas o funciones que representen “inversión”. Es por un lado el circuito o la raya inclinada en la salida y por otro lado el guión que se coloca encima de la letra.
Como en casos anteriores cumple la tabla de verdad de las puertas eléctrica “NOR”
| A | f |
| 0 | 1 |
| 1 | 0 |
El integrado más común a esta puerta es el 7404
Haz en primer lugar, utilizando este integrado, las experiencias anteriores, es decir: aplica una tensión alrededor de unos 5 voltios a la patilla 1 y observa qué obtienes en la pata 2.
En segundo lugar une la salida 2 con la entrada 3 ¿qué señal encontrarás en la pata 4 después de aplicar en la pata 1 una señal alta H, y después observa si aplicas una señal baja L.
Haz la tabla de verdad de ambas experiencias.

Puertas inversas a puertas lógicas “O” y “Y”
La puerta NO-O(NOR)
Se representa simbologicamente de la siguiente manera:
Simbología clásica
Simbología moderna
Esta puerta consiste en unir una puerta O y una NO por lo que su tabla de verdad será:
| A | B | f |
| 0 | 0 | 1 |
| 0 | 1 | 0 |
| 1 | 0 | 0 |
| 1 | 1 | 0 |
El integrado más representativo es el 7402 cuya representación es la siguiente: Hay que añadir un circuito en la salida de cada puerta O
Haz la práctica como en los casos anteriores pero esta vez fíjate bien que la designación de las patas del integrado han cambiado.

La puerta NO-Y(NAND)
Se representa simbologicamente de la siguiente manera:
Simbología clásica
Simbología moderna
La puerta NO-Y(NAND) se caracteriza porque se precisa que todas sus entradas estén a 1 para que la salida sea 0; siempre que una entrada esté a 0 la salida es 1. Su tabla de verdad será la siguiente:
| A | B | f |
| 0 | 0 | 1 |
| 0 | 1 | 1 |
| 1 | 0 | 1 |
| 1 | 1 | 0 |
El representante más popular es el 7400

Puerta O-exclusiva (Exclusive-OR)
La característica de esta puerta es que la salida sólo se pone a 1 cuando las entradas se encuentran en diferente estado, por lo que su tabla de verdad será así
| A | B | f |
| 0 | 0 | 0 |
| 0 | 1 | 1 |
| 1 | 0 | 1 |
| 1 | 1 | 0 |
Los símbolos que representan estos integrados son los siguientes:
Simbología clásica
Simbología moderna
Esta puerta también se conoce por XOR y EXOR
El dibujo esquemático del integrado 7486, que es el más común de este tipo es como se muestra aquí abajo

Hasta ahora se ha hablado de puertas lógicas a nivel muy sencillo, pero que te puede capacitar para consultar libros que traten sobre elementos electrónicos en el automóvil y cuya terminología te puedes encontrar en algún cursillo de postformación.
Práctica resumen: Central de alarma
Se trata de que expliques como funciona esta central. Consiste en un circuito de control sencillo de alarma. Dispone de dos entradas para detectores ( uno situado en una ventana y el otro en una puerta) y otra para la llave de conexión-desconexión. La salida del circuito debe activar una sirena siempre que alguno de los sensores se active y la alarma esté conectada (llave en ON)

Nota: Los dos condensadores de 100 nF en la alimentación, uno para cada CI , son para el desacoplo de transitorios que se producen en la línea de alimentación, debido a las conmutaciones de los circuitos y el efecto inductivo de la línea. Estos condensadores son típicos en todos los sistemas digitales.
4. Componentes de electrónica digital
Sistema de numeración binaria Seguimos ahora con otros tipos de componentes electrónicos que. puedes encontrar en automoción. Me toca describir los llamados “bloques lógicos MSI” que son circuitos integrados, construidos con puertas lógicas y que desempeñan una determinada función. Pero antes de empezar hay que aprender a contar de otra manera diferente de cómo te enseñaron en primaria. En primaria te enseñaron a contar de la siguiente manera:
| A | 1 Campana |
| AA | 2 Campanas |
| AAA | 3 Campanas |
| AAAA | 4 Campanas |
| AAAAA | 5 Campanas |
| AAAAAA | 6 Campanas |
| AAAAAAA | 7 Campanas |
| AAAAAAAA | 8 Campanas |
| AAAAAAAAA | 9 Campanas |
| AAAAAAAAAA | 10 Campanas |
| AAAAAAAAAAA | 11 Campanas |
| AAAAAAAAAAAA | 12 Campanas |
| AAAAAAAAAAAAA | 13 Campanas |
| AAAAAAAAAAAAAA | 14 Campanas |
Y así sucesivamente, pero ahora has de aprender a contar de otra manera:
| A | 1 Campana |
| AA | 10 Campanas |
| AAA | 11 Campanas |
| AAAA | 100 Campanas |
| AAAAA | 101 Campanas |
| AAAAAA | 110 Campanas |
| AAAAAAA | 111 Campanas |
| AAAAAAAA | 1000 Campanas |
| AAAAAAAAA | 1001 Campanas |
| AAAAAAAAAA | 1010 Campanas |
| AAAAAAAAAAA | 1011 Campanas |
| AAAAAAAAAAAA | 1100 Campanas |
| AAAAAAAAAAAAA | 1101 Campanas |
| AAAAAAAAAAAAAA | 1110 Campanas |
Así como en el primer ejemplo decimos que contamos utilizando el “sistema numérico en base” 10, en el segundo ejemplo hemos empleado el sistema numérico en base 2.
¿Qué método existe para determinar un número en cualquier base cuando es conocido en base 10? Es muy sencillo. Se va dividiendo el número sucesivamente por la base a la cual queremos transformar, en este caso, la base es 2.

Formamos un número cuya cifra de las unidades es el último cociente seguido, por orden inverso, de los restos sucesivos hasta llegar al primer resto de división. Así tendremos el número 1000 expresado en base 2; y si siguieras así, podrías averiguar que el número decimal 968 escrito en base 2 es el número 1111001000.
¿Te has dado cuenta en un detalle muy importante? Es que el sistema binario sólo entran el “0” y el “1” y la ventaja que tiene esto, lo puedes sospechar ahora, pero lo verás dentro de poco.
Y te preguntarás si no hay una forma automática de hacer esto, sin tantas divisiones. Si que lo hay y para esto se ha inventado el CODIFICADOR.
El Decodificador y el sistema binario BCD
Un codificador es un sistema electrónico que convierte una numeración decimal a una numeración binaria y en eso se basa una calculadora, como ejemplo. Aprietas un número en una calculadora y este se transforma en binario para luego ser operado adecuadamente por sus circuitos.
Cuando trabajamos con una calculadora te habrás fijado que pulsamos un número y que las cifras se van visualizando en el display de la calculadora, también cifra a cifra y pasará lo mismo cuando realizamos la operación definitiva, que lo hará tan rápido que parecerá que los escribas en el display todos a la vez; pero no es así: lo hace cifra a cifra.
Para ello necesitaremos de otro sistema de numeración, que será binario como el anterior, y se apoyará en él pero con la diferencia que se representará cifra por cifra. Es el sistema BCD.
Si bien recuerdas, para representar las cifras decimales del 0 al 9 se necesitan como mínimo cuatro bits. Y así, para escribir el número 15 en el sistema binario lo haremos de esta manera:
NÚMERO 15 EN BINARIO
| 1 | 5 |
| 0001 | 0101 |
NÚMERO 1998 EN BINARIO
| 1 | 9 | 9 | 8 |
| 0001 | 1001 | 1001 | 1000 |
De esta manera la unidad de cálculo (donde se opera) de la calculadora podrá trabajar con conjuntos de señales con tensiones altas y tensiones bajas como hablábamos en el capítulo primero. El componente que transforma un número decimal en tensiones H (1) o en tensiones L (0) y en forma binaria BCD se llama Codificador.
Tu mismo te puedes hacer un codificador con 15 diodos 4 resistencias de 4 K7 ohmios y un conmutador. Monta el siguiente esquema
Representación teórica
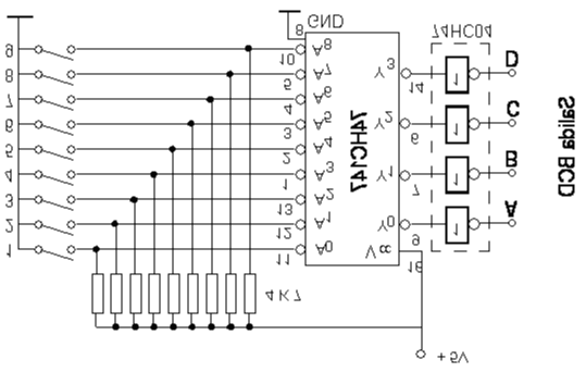
Un ejemplo de codificador muy usado es el CI 74HC147 que te muestro a continuación junto con sus representaciones simbólicas
Simbología clásica
Simbología moderna
Ejemplo de montaje práctico con el CI 74HC147
Como experiencia puedes hacer el montaje que te propongo a continuación. Debes colocar cuatro sondas a la salida del 7404.Estas sondas pueden ser del tipo que prefieras. Ya conoces dos de diferentes.

Fíjate que las entradas están conectadas a través de una resistencia a positivo pues, como se comentó antes, las entradas no pueden estar desconectadas, al aire, porque hacen de antenas y captan señales parásitas, etc… Entonces la señal será activada a través de conectar la entrada a masa, es decir, que la activaremos a través de introducir una señal “0”. Por eso a la salida del integrado hemos de colocar un inversor como puede ser el 74HC04.
En A,B,C y D tendremos expresado el valor BCD de la cifra decimal que hemos activado y este valor lo podemos captar, por ejemplo, con unos leds, pero si es para una calculadora o para un programador irá al “centro de cálculo “ o cerebro.
Los Multiplexores
Ejemplos de multiplexores los has encontrado en aparatos que te rodean con normalidad en tu vida. Aunque a esto que me voy a referir no es un multiplexor, pero me serviré de su imagen para poderme expresar mejor, y pueda ser entendido más fácilmente. En muchos amplificadores de música hay un conmutador mecánico, que puede ser circular o de botones, que selecciona una salida a partir de varias entradas como puede ser: CD, radio, Tocadiscos, cassette, etc. Sólo una de estas señales que le llegan por la entrada la selecciona para ser amplificada y salga su sonido por los altavoces. Te has podido encontrar con algunos aparatos (actualmente hoy son muchos) que apretando un simple botón o por la simple captación eléctrica que posee el dedo es suficiente para que selecciones una operación que te interesa. Estos son los “Multiplexores” que son componentes electrónicos que hacen el papel de conmutadores y se apoyan en la electrónica digital.
Concretando los multiplexores se comportan como un conmutador de entradas y que la selección se hace a través de sistemas digitales binarios, utilizando puertas lógicas. Así tenemos una representación de cuatro canales. Con las letras I0,I1,I2,I3, representamos las entradas a seleccionar. Con la letra Y la salida de la señal seleccionada y con S0 y S1 representamos los "canales” para la selección digital de entradas.
Mostramos a continuación el esquema de un multiplexor de cuatro entradas y dos canales de selección y su tabla de verdad.

Si aplicamos al terminal S0 el nivel 1 y a S1 hacemos que sea 0 entonces el multiplexor seleccionará la entrada I1, la cual nos la encontraremos en la salida Y.
Con todo el integrado mas común es el 74HC151 que controla 8 entradas con tres entradas de selección.
| S1 | S0 | Y |
| 0 | 0 | I0 |
| 0 | 1 | I1 |
| 1 | 0 | I2 |
| 1 | 1 | I3 |

Visualizadores de números
Deberíamos hablar del componente que hace lo contrario del codificador, es decir, del decodificador, pero necesito explicar antes el elemento que se empleará para mostrar la cifra decimal que el decodificador elaborará del dato BCD que ha recibido en la entrada.
Un visualizador de una cifra numérica se basa en un dispositivo que tiene siete segmentos. Cada segmento se puede iluminar porque está construido un led y según qué segmentos o leds se iluminan formarán un número u otro. Si se encienden todos aparece el 8.
Un led tiene un cátodo y un ánodo. El cátodo va conectado a masa y ánodo a positivo. Depende si todos los cátodos están unidos entre sí o todos los ánodos están unidos entre si, tendremos unos visualizadores que les llamaremos de cátodo común o de ánodo común; dato que es muy importante conocer para hacer un montaje. Observa los dibujos para entenderlo mejor.
Cada led en que está formado cada segmento cumple las mismas condiciones de fabricación que los leds que tu ya debes de conocer. El dibujo del visualizador hay una resistencias de 220 W porque están conectados a 5 voltios. Si cambias la tensión de alimentación debes cambiar el valor de la resistencia, la cual ya sabes calcularla. Puedes variar, entre ciertos límites el valor calculado de las resistencias para conseguir más o menos luminosidad en cada segmento luminoso del número.
Observa con atención los siguientes gráficos
Visualizador de siete segmentos cátodo común

Visualizador de siete segmentos de ánodo común

Los decodificadores
Estos bloques lógicos se emplean mucho en los montajes electrónicos. Todos los contadores digitales, los termómetros, los relojes necesitan un decodificador. Hacen la función inversa a los codificadores. Existen los decodificadores excitadores que recibiendo una señal BCD, en su salida pueden excitar unos visualizadores como los que hemos visto en el apartado anterior. Los números en código BCD aplicados en la entrada, producen un código de siete salidas que hace que aparezca en el visualizador el número decimal correspondiente al dato BCD de entrada. Puesto que pasan de un código a otro también se llaman “convertidores de código”.
El circuito integrado 74HC4511 (Decodificador BCD/siete segmentos)
Está diseñado para la excitación de visualizadores de cátodo común; las salidas de segmentos se activan por nivel alto. El fabricante garantiza 10 mA por salida.
Veamos un montaje decodificador-visualizador en forma práctica.
Las entradas de datos BCD están conectadas a una resistencias de 100 KW para fijar a O cuando no reciben datos y no queden al aire, captando ruidos.
Este tipo de decodificador es aplicable para un sólo display visualizador. Hay otros medios para que a través de un solo decodificador puedan ser activados tantos displays como cifras.
Terminales especiales:
LT= Al activarse, nivel bajo, se iluminan todos los segmentos. Se usa como tets de funcionamiento.
BI= Activada por nivel bajo se activan todos los visualizadores.
LE= Es una entrada que permite memorizar el dato.

Demultiplexores
Su nombre más propio es el de decodificador no excitador. No existen exclusivamente demultiplexores solamente sino que son además decodificadores. Por definición realizan la función contraria a la de los multiplexores. Es decir, se comportan como un selector de salidas.

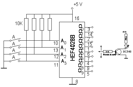
Un circuito popular es el HEF4028F que su representación simbólica y su tabla de verdad es como sigue:

| Entradas | Salidas | ||||||||||||
| A3 | A2 | A1 | A0 | O0 | 01 | O2 | O3 | O4 | O5 | O6 | O7 | O8 | O9 |
| L | L | L | L | H | L | L | L | L | L | L | L | L | L |
| L | L | L | H | L | H | L | L | L | L | L | L | L | L |
| L | L | H | L | L | L | H | L | L | L | L | L | L | L |
| L | L | H | H | L | L | L | H | L | L | L | L | L | L |
| L | H | L | L | L | L | L | L | H | L | L | L | L | L |
| L | H | L | H | L | L | L | L | L | H | L | L | L | L |
| L | H | H | L | L | L | L | L | L | L | H | L | L | L |
| L | H | H | H | L | L | L | L | L | L | L | H | L | L |
| H | L | L | L | L | L | L | L | L | L | L | L | H | L |
| H | L | L | H | L | L | L | L | L | L | L | L | L | H |
| H | L | H | L | L | L | L | L | L | L | L | L | L | L |
| H | L | H | H | L | L | L | L | L | L | L | L | L | L |
| H | H | L | L | L | L | L | L | L | L | L | L | L | L |
| H | H | L | H | L | L | L | L | L | L | L | L | L | L |
| H | H | H | L | L | L | L | L | L | L | L | L | L | L |
| H | H | H | H | L | L | L | L | L | L | L | L | L | L |
Como práctica puedes experimentar con este integrado y con la sonda digital que ya has empleado alguna que otra vez. Haz el montaje siguiente y comprueba que sólo se activa una salida O (correspondiente a una cifra decimal del 0 al 9) cuanto aplicamos un dato BCD en las entradas A.

¿No puedes ver el archivo PDF? Descárgalo o instala Adobe Reader